каталог товаров
СОБЕРИЗАВОД

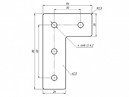
Г-соединитель 60 х90В, паз 8, C26 Арт. C26

штука
технические характеристики
Паз: 8
Серия: 30
Масса: 0,069 кг / шт
Материал: сталь 2.5 мм
Покрытие: порошковая окраска

Описание товара

   Г-соединитель 60х90B предназначен для Г-соединения алюминиевых конструкционных профилей серии 30 под углом 90 градусов.