каталог товаров
СОБЕРИЗАВОД

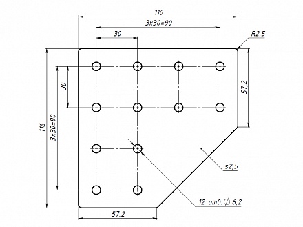
Г-соединитель 120х120, паз 8, C76 Арт. C76

штука
технические характеристики
Паз: 8
Серия: 30
Масса: 0,270 кг / шт
Материал: сталь 2.5 мм
Покрытие: порошковая окраска

Описание товара

   Г-соединитель 120x120 предназначен для Г-соединения алюминиевых конструкционных профилей серии 30 под углом 90 градусов.