каталог товаров
СОБЕРИЗАВОД

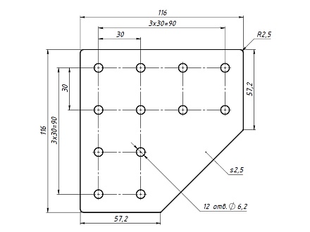
Г-соединитель 120х120 (черный), паз 8, A837 Арт. A837

штука
технические характеристики
Паз: 8
Серия: 30
Масса: 0,225 кг / шт
Материал: сталь 3 мм
Покрытие: порошковая окраска

Описание товара

   Г-соединитель 120x120 предназначен для Г-соединения алюминиевых конструкционных профилей серии 30 под углом 90 градусов.