каталог товаров
СОБЕРИЗАВОД

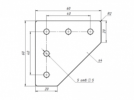
Г-соединитель алюминиевый 60х60X, паз 6, A156 Арт. A156

штука
технические характеристики
Паз: 6
Серия: 20
Масса: 0,028 кг / шт
Материал: алюминий 4 мм
Покрытие: порошковая окраска

Описание товара

Г-соединитель алюминиевый 60х60X предназначен для соединения алюминиевых конструкционных профилей cерии 20 под углом 90 градусов.