каталог товаров
СОБЕРИЗАВОД

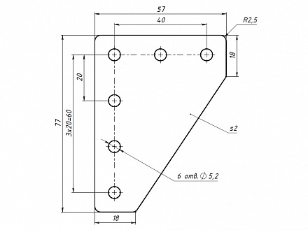
Г-соединитель 60х80, паз 6, L63 Арт. L63

штука
технические характеристики
Паз: 6
Серия: 20
Масса: 0,049 кг / шт
Материал: сталь 2 мм
Покрытие: порошковая окраска

Описание товара

   Г-соединитель 60х80 предназначен для Г-соединения алюминиевых конструкционных профилей серии 20 под углом 90 градусов.