каталог товаров
СОБЕРИЗАВОД

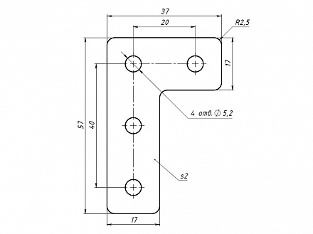
Г-соединитель 40х60В, паз 6, L60 Арт. L60

штука
технические характеристики
Паз: 6
Серия: 20
Масса: 0,019 кг / шт
Материал: сталь 2 мм
Покрытие: порошковая окраска

Описание товара

   Г-соединитель 40х60B предназначен для Г-соединения алюминиевых конструкционных профилей серии 20 под углом 90 градусов.