каталог товаров
СОБЕРИЗАВОД

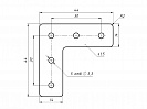
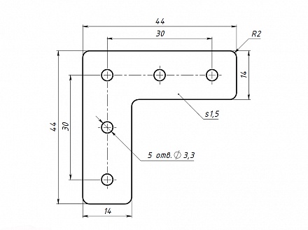
Г-соединитель 45х45В, паз 3, F08 Арт. F08

штука
технические характеристики
Паз: 3
Серия: 15
Масса: 0,012 кг / шт
Материал: сталь 1.5 мм
Покрытие: порошковая окраска

Описание товара

   Г-соединитель 45х45В предназначен для Г-соединения алюминиевых конструкционных профилей серии 15 под углом 90 градусов.