каталог товаров
СОБЕРИЗАВОД

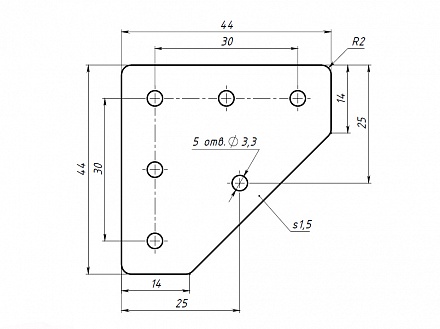
Г-соединитель 45х45, паз 3, F07 Арт. F07

штука
технические характеристики
Паз: 3
Серия: 15
Масса: 0,017 кг / шт
Материал: сталь 1.5 мм
Покрытие: порошковая окраска

Описание товара

   Г-соединитель 45х45 предназначен для Г-соединения алюминиевых конструкционных профилей серии 15 под углом 90 градусов.