каталог товаров
СОБЕРИЗАВОД

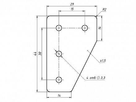
Г-соединитель 30х45, паз 3, S00 Арт. S00

штука
технические характеристики
Паз: 3
Серия: 15
Масса: 0,012 кг / шт
Материал: сталь 1.5 мм
Покрытие: порошковая окраска

Описание товара

   Г-соединитель 30x45 предназначен для Г-соединения алюминиевых конструкционных профилей серии 15 под углом 90 градусов.