каталог товаров
СОБЕРИЗАВОД

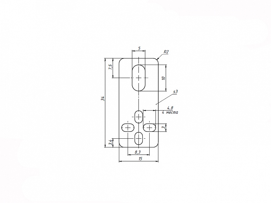
Кронштейн концевого выключателя 32х15, A152 Арт. A152

штука
технические характеристики
Масса: 0,004 кг / шт
Материал: алюминий
Покрытие: черное анодирование
Ширина: 15 мм
Толщина: 3 мм

Описание товара

Кронштейн концевого выключателя предназначен для установки переключателя на конструкционный алюминиевый профиль, предполагает несколько способов монтажа и расположения выключателя по длине профиля.